rear hub Fat Bike 250W 500W Freewheel light weight
Powerful, robust and ready for adventure, this 750W OZO wheel engine is designed especially for Fat Bikes. Suitable for demanding terrains, it combines high torque, reliability and freewheel compatibility. This engine allows you to electrify your off-road bike with performance and autonomy.Fat bike electric rear hub motor 36V - 48V 250W 500W.
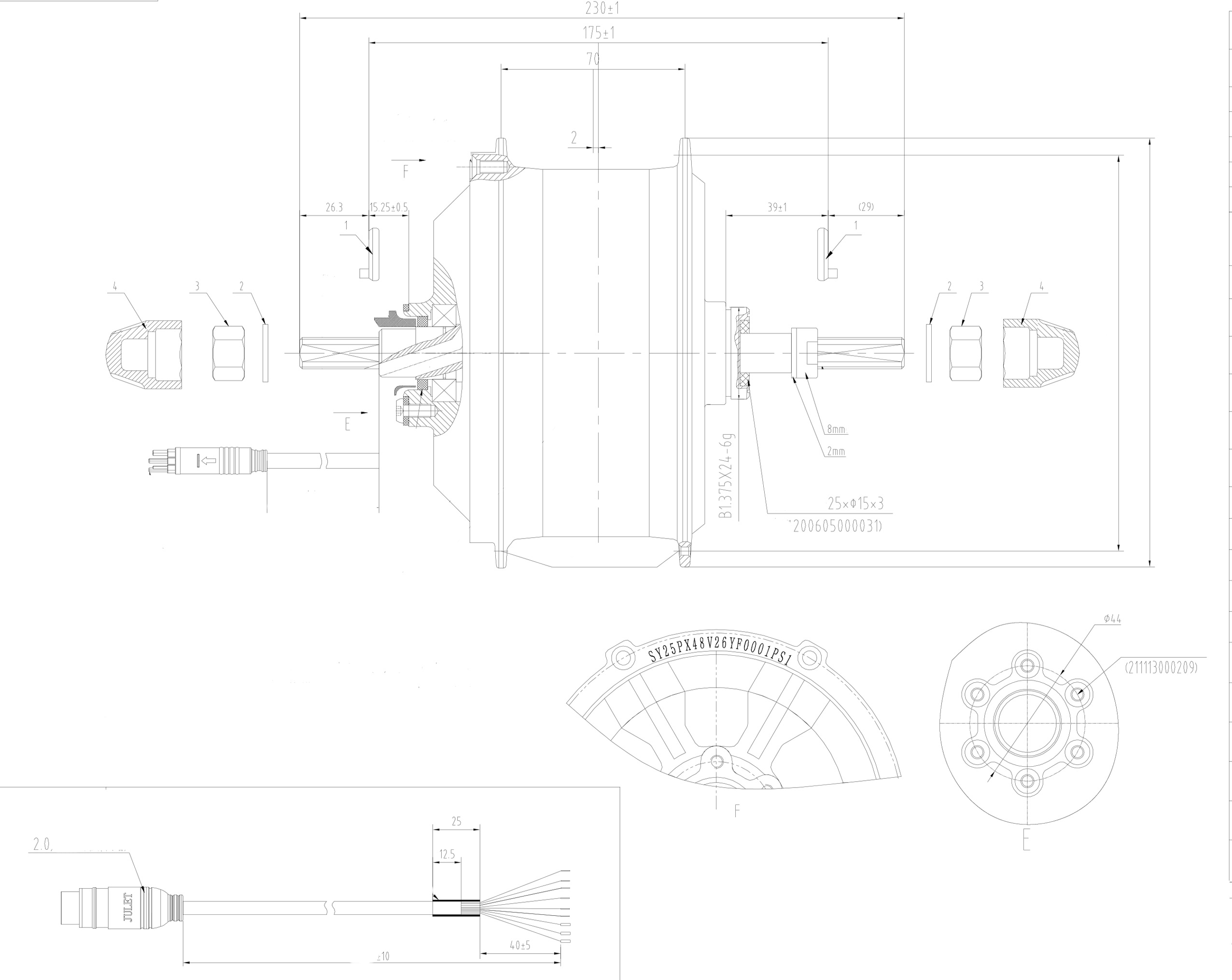
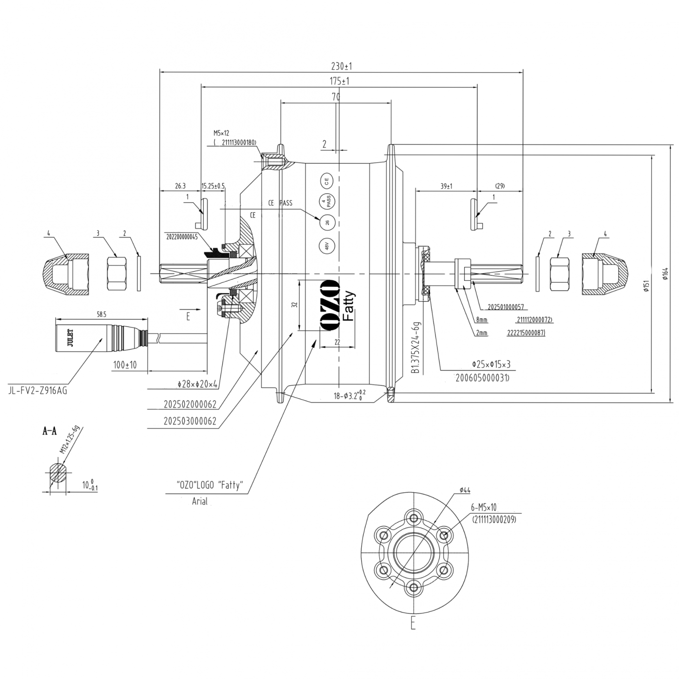
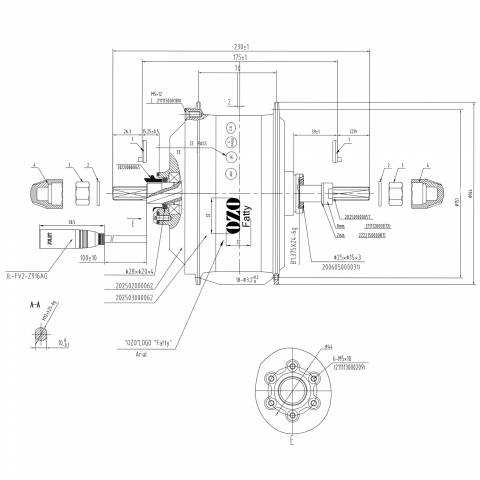
Dropout 175mm
6x holes disc compatible
3,6kg - 55 N.m
You can power it with 36V 15A or 22A controller or 48V 15A.
Bring a new dimension to your Fat Bike with the 750W OZO wheel engine, specially designed for extreme conditions. Thanks to its 750W rated power and high torque, this engine is perfect for mountain biking, bikepacking or trips on sand, snow, mud or mountainous terrain.
Highlights:
Fat Bike Compatibility: Designed for wide rims (4 inches and above), suitable for bicycles with oversized tires.
Power 750W: Excellent acceleration, recommended for hills and long distances.
Freewheel: System compatible with screw-in cassettes, simple to maintain.
Quiet and reliable: Brushless gear motor, discreet and frictionless.
Simple installation: Mounts directly on the rear wheel of the bike, compatible with most Fat Bike frames.
2D Engine Plan :


Data sheet
- Guarantee
- 2 ans
- Intensité max
- X A
- Motor position
- Back
- puissance nominale et puissance max sous 48V
- 500W
- Vitesse max en 48V
- 45km/h
- Vitesse max en 36V
- 35km/h
- Mass
- 3,6 Kg
- Puissance max
- X W
- entraxe cadre Min / Max
- XXXX
- Compatibilité frein à disque
- OUI
- Diamètre de roue mini
- X"
- Tension Max
- X V
- Motor power range
- 250W - 1000W
- Hall sensors
- OUI
Leave a review